Potencialni transformator PT
25 kv instrumentni elektromagnetni Pt potencialni transformator
  • 25 kv instrumentni elektromagnetni Pt potencialni transformator25 kv instrumentni elektromagnetni Pt potencialni transformator

25 kv instrumentni elektromagnetni Pt potencialni transformator

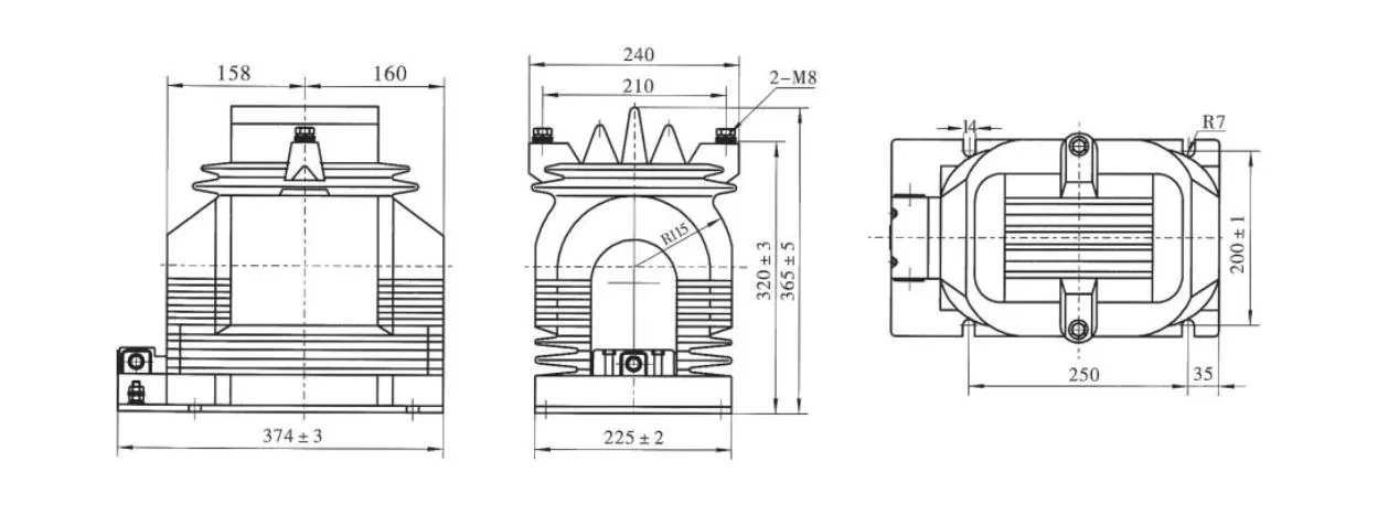
Wenzhou XiFa Electric Power Equipment Co., Ltd že več kot 10 let proizvaja potencialne transformatorje iz epoksidne smole in tokovne transformatorje, kot je instrumentni elektromagnetni pt potencialni transformator 25 kv. 25 kv potencialni transformator je za specifične regionalne omrežne napetosti, kot so Severna Amerika in nekatere ameriške države. Čeprav je označen kot 25 kV instrumentni elektromagnetni pt potencialni transformator, je sprejeti standard 24 kV. Wenzhou XiFa Electric Power Equipment Co., Ltd ima vrsto zrelih oblikovalskih rešitev glede natančnosti, izolacije in mehanske trdnosti za doseganje 25 kv instrumentnega elektromagnetnega pt potencialnega transformatorja z daljšo življenjsko dobo.

Nasveti po nakupu apotencialni transformator:

1. Pred zagonom mora biti instrumentni elektromagnetni pt potencialni transformator 25 kv podvržen vsem preskusom in pregledom, kot zahtevajo ustrezni standardi in postopki. Ti običajno vključujejo dielektrični preskus AC, preskus izolacijske upornosti, preskus razmerja in vizualni pregled.

2. Pravilno ožičenje 25 kv instrumentnega elektromagnetnega pt potencialnega transformatorja je bistvenega pomena. Primarno navitje mora biti priključeno vzporedno z merjenim tokokrogom, medtem ko mora biti sekundarno navitje priključeno vzporedno z napetostnimi tuljavami merilnih instrumentov, zaščitnih relejev ali avtomatskih naprav. Hkrati je treba paziti na pravilno polarnost.

3. Obremenitev, priključena na sekundar 25 kv potencialnega transformatorja, mora biti znotraj nazivne zmogljivosti. Preseganje nazivne sekundarne obremenitve lahko povzroči večje merilne napake in celo vpliva na točnost odčitkov.

4. Kratek stik sekundarnega nastavka potencialnega transformatorja 25 kv je strogo prepovedan. Ker ima PT zelo nizko notranjo impedanco, lahko sekundarni kratek stik povzroči izjemno visoke tokove, ki lahko poškodujejo sekundarno opremo in predstavljajo resno nevarnost za varnost. Da bi preprečili takšno škodo, je treba varovalke namestiti na sekundarni del PT. Če je izvedljivo, je treba uporabiti tudi varovalke na primarni strani za zaščito visokonapetostnega omrežja v primeru napak v primarnem navitju ali vodih.

5. Zaradi varnosti osebja, ki rokuje z merilnimi instrumenti ali releji, mora biti sekundarno navitje PT ozemljeno na eni točki. Lahko prepreči osebno varnost zaradi visoke napetosti, ki se pojavi v instrumentih in relejih, ko se po ozemljitvi poškoduje izolacija med primarnim in sekundarnim navitjem.

6. Pod nobenim pogojem ne sme biti v sekundarnem tokokrogu PT kratek stik.

25 Kv Instrument Electromagnetic Pt Potential Transformer

Tehnične specifikacije:

Vrsta Razmerje nazivne napetosti (kV) Razred natančnosti Razred točnosti in nazivna moč cosΦ=0,8 Max. Izhod (VA)
0.2 0.5 3 (P)
JDZ11-15 15/0,1 0,2 0,5 1 30 80 150 600
JDZ11-20 20/0,1
JDZ11-15 15/0,1/0,1 0,2/0,2 0,2/0,5 0,5/0,5 20 30 N/A 2*300
JDZ11-20 20/0,1/0,1
JDZ11-15 15/0,1/0,22 0,2/3P 0,5/3P 30 60 100 500
JDZ11-20 20/0,1/0,22

25 Kv Instrument Electromagnetic Pt Potential Transformer

Pogosta vprašanja o izdelku:

V: Kakšna je standardna vrednost sekundarne napetosti za elektromagnetni instrument 25 kVpt potencialni transformator?

O: Standardna sekundarna napetost za 25 kV instrumentni elektromagnetni pt potencialni transformator je običajno 110 V. Ta standardizacija zagotavlja združljivost z merilno in zaščitno opremo, da se omogoči natančno merjenje napetosti in varno delovanje znotraj elektroenergetskega sistema.


V: Ali lahko 25 kV instrumentni elektromagnetni pt potencialni transformator neprekinjeno deluje pri 115 % svoje nazivne napetosti?

O: Da, potencialni transformator 25 kV lahko neprekinjeno deluje pri 115 % svoje nazivne napetosti, dokler sekundarna obremenitev ne preseže toplotne ocene transformatorja. Ta zmožnost omogoča začasne pogoje prenapetosti, ne da bi to vplivalo na celovitost PT.


V: Kakšen je tipični izolacijski razred za 25 kV instrumentni elektromagnetni pt potencialni transformator?

O: 25 kV potencialni transformator ima običajno izolacijski razred, ki mu omogoča, da prenese napetosti do 25 kV. Izolacijski sistem je zasnovan za obvladovanje električnih obremenitev, do katerih pride med normalnimi in okvarjenimi pogoji, ter zagotavlja zanesljivo delovanje in varnost.





Hot Tags: 25 Kv instrumentni elektromagnetni PT potencialni transformator Proizvajalec, elektromagnetni PT potencialni transformator dobavitelj, instrument PT potencialni transformator na debelo
Pošlji povpraševanje
Kontaktne informacije

Za čimprejšnjo pridobitev vaše ponudbe

XiFa - vaš zanesljiv dobavitelj električne opreme
X
Piškotke uporabljamo, da vam ponudimo boljšo izkušnjo brskanja, analiziramo promet na spletnem mestu in prilagodimo vsebino. Z uporabo te strani se strinjate z našo uporabo piškotkov. Politika zasebnosti
Zavrni Sprejmi