Potencialni transformator PT
33kv visokonapetostni enofazni potencialni transformator
  • 33kv visokonapetostni enofazni potencialni transformator33kv visokonapetostni enofazni potencialni transformator

33kv visokonapetostni enofazni potencialni transformator

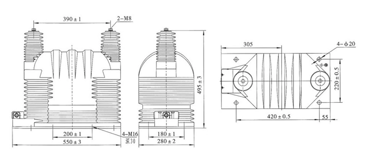
Wenzhou XiFa Electric Power Equipment Co., Ltd je izkušen proizvajalec za proizvodnjo 33 kv visokonapetostnih enofaznih potencialnih transformatorjev in tokovnih transformatorjev. Wenzhou XiFa uporablja visoko kakovostno smolo za doseganje boljše učinkovitosti izolacije, kot je dolgotrajno delovanje pod visoko napetostjo brez okvare ali delne izpraznitve. Vsak 33kv visokonapetostni enofazni potencialni transformator je potreben za vlivanje epoksidne smole v vakuumu, da se doseže daljša življenjska doba do 20 ali 30 let. Pred dobavo je treba izmeriti osnovne tehnične specifikacije, kot so vzdržljiva napetost električne frekvence, delna izpraznitev, izolacijska upornost, natančnost, polarnost in dvig temperature.

Lastnosti izdelka:

1. Strukturno se lahko visokonapetostni enofazni potencialni transformator 33 kv obravnava kot padajoči močnostni transformator z majhno zmogljivostjo in visokim razmerjem. Vendar pa za razliko od močnostnega transformatorja,  apotencialni transformatorne prenaša energije za napajanje bremena. Namesto tega ima pomembno vlogo pri merjenju in zaščiti.

2. Sekundarno vezje je povezano z merilnimi instrumenti, zaščitnimi releji in avtomatskimi napravami, katerih napetostne tuljave predstavljajo izjemno visoko in v bistvu konstantno impedanco. Posledično je sekundarni tok minimalen, podobno kot stanje brez obremenitve močnostnega transformatorja. Poraba energije 33kv visokonapetostnega enofaznega potencialnega transformatorja je izredno nizka, sekundarna napetost pa ostaja praktično enaka inducirani EMF, ki je določena s konstantno primarno napetostjo. Zagotavlja zahtevano stopnjo natančnosti za merjenje napetosti.

3. Sekundarno navitje potencialnih transformatorjev ne sme biti nikoli v kratkem stiku. Pri normalnem delovanju je obremenitev visokonapetostnega enofaznega potencialnega transformatorja 33 kv naprava z visoko impedanco, če pa pride do kratkega stika, je edini omejevalni dejavnik impedanca navitja. To lahko privede do previsokega toka kratkega stika, kar povzroči nepravilne odčitke števca, napačno delovanje releja ali celo trajno poškodbo napajalnega transformatorja.

4. Sponke sekundarnega navitja in navitja ničelnega zaporedja morajo biti ozemljene. Če ni ozemljitve, lahko napaka na primarnem sistemu povzroči nevarno visoke napetosti na teh navitjih, kar predstavlja resno tveganje za povezane instrumente, releje in varnost osebja.

33kv High Voltage Single Phase Potential Transformer

Tehnične specifikacije:

Vrsta Razmerje nazivne napetosti (kV) Razred natančnosti Razred točnosti in nazivna moč cosΦ=0,8 Max. Izhod (VA)
0.2 0.5 1 3
JDZ9-35Q 35/0,1 0,2 0,5 1 3 30 120 240 600 1200
35/0,1/0,1 0,2/0,2 (0,5) 30 30 N/A N/A 600
0,5/0,5 N/A 60

33kv High Voltage Single Phase Potential Transformer

Pogosta vprašanja o izdelku:

V: Kakšna je nazivna obremenitev visokonapetostnega enofaznega potencialnega transformatorja 33 kv?

O: Nazivna obremenitev se običajno giblje od 25 VA do 200 VA, odvisno od aplikacije. Zagotavlja stabilno natančnost merilnih instrumentov in zaščitnih relejev brez preobremenitve transformatorja.


V: Kako je visokonapetostni enofazni potencialni transformator 33 kv ozemljen?

O: Sekundarno navitje je običajno ozemljeno na eni točki, da se ohrani referenčni potencial in zagotovi varnost. pomaga preprečiti plavajoče napetosti in zmanjšati tveganje okvare izolacije.


V: Ali je mogoče za trifazno merjenje priključiti enofazni PT?

O: Seveda. Za trifazni sistem se lahko trije enofazni PT-ji povežejo v zvezdno ali odprto delta razporeditev, kar je odvisno od tega, ali je treba spremljati celotno napetost med fazo in med fazo in zemljo ali ne.




Hot Tags: 33kv visokonapetostni enofazni potencialni transformator dobavitelj, visokonapetostni enofazni transformator na debelo, industrijski potencialni transformator proizvajalec
Pošlji povpraševanje
Kontaktne informacije

Za čimprejšnjo pridobitev vaše ponudbe

XiFa - vaš zanesljiv dobavitelj električne opreme
X
Piškotke uporabljamo, da vam ponudimo boljšo izkušnjo brskanja, analiziramo promet na spletnem mestu in prilagodimo vsebino. Z uporabo te strani se strinjate z našo uporabo piškotkov. Politika zasebnosti
Zavrni Sprejmi