Potencialni transformator PT
13,8 kv enofazni potencialni transformator v transformatorski postaji
  • 13,8 kv enofazni potencialni transformator v transformatorski postaji13,8 kv enofazni potencialni transformator v transformatorski postaji

13,8 kv enofazni potencialni transformator v transformatorski postaji

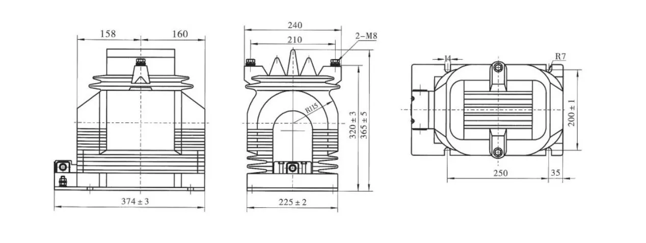
Za izdelavo zanesljivega enofaznega potencialnega transformatorja 13,8 kv v transformatorski postaji Wenzhou XiFa Electric Power Equipment Co., Ltd uporablja vrhunsko električno jeklo CRGO kot glavni material jedra, da zmanjša vrednost izgube in izboljša razred točnosti, ter visoko trdno emajlirano bakreno žico kot glavni material tuljave, da zagotovi razmerje ovojev in izolacijo od zavoja do zavoja s pomočjo natančnega navijanja. Še več, vsak 13,8 kv enofazni potencialni transformator v transformatorski postaji uporablja proizvodni postopek vakuumskega litja epoksidne smole, da se ustvari celotna strjena struktura, ki je ni enostavno absorbirati vlage, kar je primerno za vroča, vlažna in prašna okolja.

Lastnosti izdelka:

Enofazni potencialni transformator 13,8 kv v transformatorski postaji je zasnovan za znižanje primarne napetosti 13,8 kv na standardno sekundarno napetost, kot je 100 ali 110 voltov. Zmanjšana napetost se nato dovaja vzporednim navitjem za merjenje instrumentov in zaščitnih relejev, kar omogoča posredno merjenje primarne napetosti z nizkonapetostnimi instrumenti. Takšen pristop poenostavlja načrtovanje instrumentov, prihrani stroške in zagotavlja varnost opreme in osebja, ki upravlja.


Načelo delovanja enofaznega potencialnega transformatorja 13,8 kv je enako kot transformator za distribucijo električne energije, pri katerem je razmerje transformacije določeno s številom ovojev v primarnih in sekundarnih tuljavah. Povečanje števila sekundarnih ovojev zmanjša razmerje, povečanje števila primarnih ovojev pa ga poveča. Pomembno je upoštevati, da v nobenem primeru ne sme priti do kratkega stika sekundarnega tokokroga enofaznega potencialnega transformatorja 13,8 kv med delovanjem.

13 8 Kv Single Phase Potential Transformer In Substation

Tehnične specifikacije:

Vrsta Razmerje nazivne napetosti (kV) Razred natančnosti Razred točnosti in nazivna moč cosΦ=0,8 Max. Izhod (VA)
0.2 0.5 1 6 (P)
JDZ11-15 (15/√3)/(0,1/√3)/(0,1/3) 0,2/6P 0,5/6P 1/6P 30 80 150 100 400
JDZ11-20 (20/√3)/(0,1/√3)/(0,1/3)
JDZ11-15 (15/√3)/(0,1/√3)/(0,1/√3)/(0,1/3) 0,2/0,2/6P 0,2/0,5/6P 15 20 N/A 100 2*200
JDZX11-20 (20/√3)/(0,1/√3)/(0,1/√3)/(0,1/3)

13 8 Kv Single Phase Potential Transformer In Substation

Pogosta vprašanja o izdelku:

V: Kako se enofazni potencialni transformator 13,8 kv razlikuje od transformatorja moči 13,8 kv?

O: Medtem ko sta obe napravi za pretvorbo napetosti, je enofazni potencialni transformator 13,8 kv zasnovan za merjenje in zaščito in ne za prenos moči. Njegova nazivna obremenitev je razmeroma majhna, običajno izražena v VA, medtem ko močnostni transformatorji prenesejo obremenitve v večjih vrednostih, ki se štejejo v kVA ali MVA.


V: Katere metode izolacije se uporabljajo pri enofaznem potencialnem transformatorju 13,8 kv?

O: Večinapotencialni transformatorjipri tej napetostni ravni uporabite izolacijo iz epoksidne smole za uporabo v zaprtih prostorih ali ohišja iz porcelana/silikona za zunanje instalacije. Nekateri modeli uporabljajo izolacijo, potopljeno v olje, da dosežejo podaljšano življenjsko dobo in večjo toplotno zmogljivost.


V: Kako naj bo enofazni potencialni transformator 13,8 kV priključen v postajo?

O: Za merjenje med fazo in zemljo je primarni PT povezan med eno fazo in zemljo. V trifaznem sistemu je mogoče za merjenje napetosti med linijami in med linijami in zemljo uporabiti niz enofaznih PT ali trifazne PT enote.


V: Kakšne težave lahko nastanejo pri enofaznih potencialnih transformatorjih 13,8 kV v transformatorskih postajah?

O: Pogoste težave vključujejo degradacijo izolacije, feroresonanco pri določenih preklopnih pogojih, pregrevanje zaradi prekomerne obremenitve in stanja odprtega sekundarnega tokokroga, ki lahko povzročijo nevarno visoke napetosti.



Hot Tags: 13,8 kv enofazni potencialni transformator pri dobavitelju transformatorskih postaj, veleprodaja potencialnih transformatorjev za transformatorske postaje
Pošlji povpraševanje
Kontaktne informacije

Za čimprejšnjo pridobitev vaše ponudbe

XiFa - vaš zanesljiv dobavitelj električne opreme
X
Piškotke uporabljamo, da vam ponudimo boljšo izkušnjo brskanja, analiziramo promet na spletnem mestu in prilagodimo vsebino. Z uporabo te strani se strinjate z našo uporabo piškotkov. Politika zasebnosti
Zavrni Sprejmi