Tokovni transformator CT
Tokovni transformator ničelnega zaporedja Ct Donut
  • Tokovni transformator ničelnega zaporedja Ct DonutTokovni transformator ničelnega zaporedja Ct Donut
  • Tokovni transformator ničelnega zaporedja Ct DonutTokovni transformator ničelnega zaporedja Ct Donut

Tokovni transformator ničelnega zaporedja Ct Donut

Wenzhou XiFa Electric Power Equipment Co., Ltd uporablja surovine dobre kakovosti in konkurenčne cene za proizvodnjo tokovnega transformatorja z ničelnim zaporedjem trdne kakovosti. V procesu navijanja Wenzhou XiFa uporablja bakreno emajlirano žico brez kisika, da zagotovi električno prevodnost in mehansko trdnost za vsako vrsto krožnega tokovnega transformatorja z ničelnim zaporedjem. Medtem Wenzhou XiFa v procesu izdelave jedra uporablja silicijevo jekleno pločevino z visoko magnetno prepustnostjo, da ohrani odlično zmogljivost pri občutljivem odzivu na majhen tok ničelnega zaporedja.

Tokovni transformator ničelnega zaporedja ct je enoobraten, skozi jedrno napravo, ki se uporablja v elektroenergetskih sistemih za spremljanje tokov ničelnega zaporedja. Služi kot kritična komponenta zaščitnih relejnih sistemov, ki se uporablja predvsem za odkrivanje ozemljitvenih napak, tokov uhajanja in nadzor izolacije. Z zaznavanjem vektorske vsote treh faznih tokov in nastalega toka ničelnega zaporedja lahko tokovni transformator ničelnega zaporedja sproži zaščitne operacije in se poveže z ozemljitvenimi izbirniki nizkega toka, digitalnimi napravami za dušenje harmonikov in relejnimi zaščitnimi enotami za zagotavljanje opozoril o napakah in odklop napajanja.

Strukturno je tokovni transformator ničelnega zaporedja ct sestavljen iz toroidnega jedra in sekundarnega navitja, vgrajenega v ohišje iz epoksidne smole ali silikonske gume, ki nudi odpornost proti vlagi in zaščito pred onesnaženjem. Možnosti namestitve vključujejo solid , ki zahteva vnaprej napeljane kable in zasnove z deljenimi jedri, ki omogočajo naknadno vgradnjo brez odklopa kablov.

Združljiv je z napajalnimi sistemi 50 Hz, kar zagotavlja občutljivost in linearnost, potrebno za različne konfiguracije nevtralne točke, vključno z ozemljenimi in neozemljenimi sistemi. Tokovni transformatorji ničelnega zaporedja ct se široko uporabljajo v pametnih omrežjih, železniškem prometu, električnih sistemih zgradb in spremljanju industrijske opreme, da zagotovijo zanesljivo odkrivanje napak in zaščito sistema.

Zero Sequence Ct Current Transformer Donut TypeZero Sequence Ct Current Transformer Donut Type

Vrsta Vrsta releja Povezava Metod Vrednost lestvice Primarni tok Vrsta Vrsta releja Povezava Metod Vrednost lestvice Primarni tok
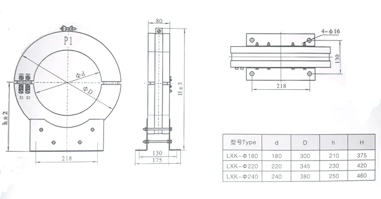
LXK-Φ80 LXK-Φ100 LXK-Φ120 LXK-Φ150 DD11/60 serija 15*1 2,4-4,5 LXK-Φ180 LXK-Φ220 LXK-Φ240 DD11/60 serija 15*1 2,4-4,5
30*1 30*1
Vzporedno 15*2 3-5 Vzporedno 15*2 3-5
30*2 30*2
DD1/60 serija 15*1 3-5 DD1/60 serija 15*1 3-5
30*1 30*1
Vzporedno 15*2 3-6 Vzporedno 15*2 3-6
30*2 30*2

Zero Sequence Ct Current Transformer Donut Type

Pogosta vprašanja o izdelku:

V: Kaj je tokovni transformator z ničelnim zaporedjem?

Krofni tokovni transformator ničelnega zaporedja CT je naprava z jedrom, zasnovana za zaznavanje tokov ničelnega zaporedja v trifaznih sistemih. Njegovo toroidno jedro omogoča primarnemu vodniku, da prehaja skozi sredino, kar zagotavlja nevsiljivo spremljanje ozemljitvenih napak, tokov uhajanja in pogojev izolacije.

V: Kako deluje izhodni tokovni transformator z ničelnim zaporedjem ct?

O: Tokovni transformator ničelnega zaporedja ct tipa krof pretvori tok ničelnega zaporedja v sorazmerno napetost ali sekundarni tok z uporabo visoko natančnega navijanja in tehnologije tuljave Rogowskega. Ta izhod je združljiv z releji, merilniki in nadzornimi sistemi za hitro in natančno odkrivanje napak.

V: Kakšne so tipične aplikacije ct tokovnega transformatorja z ničelnim zaporedjem?

A: ct tokovni transformator z ničelnim zaporedjem tipa krof se običajno uporablja v:

1. Zaščita pred napako na tleh in zaznavanje toka uhajanja;

2. Nadzor nevtralne točke v sistemih za distribucijo električne energije;

3.Integracija z digitalnimi zaščitnimi releji, napravami za zatiranje harmonikov in sistemi za spremljanje pametnega omrežja.

4. Industrijska oprema, gradnja električnih omrežij in železniških tranzitnih sistemov.




Hot Tags: Tokovni transformator ničelnega zaporedja CT, CT krogaste vrste, transformator za zaščito pred napako na zemlji
Pošlji povpraševanje
Kontaktne informacije

Za čimprejšnjo pridobitev vaše ponudbe

XiFa - vaš zanesljiv dobavitelj električne opreme
X
Piškotke uporabljamo, da vam ponudimo boljšo izkušnjo brskanja, analiziramo promet na spletnem mestu in prilagodimo vsebino. Z uporabo te strani se strinjate z našo uporabo piškotkov. Politika zasebnosti
Zavrni Sprejmi