Tokovni transformator CT
Električni tokovni transformator iz smole
  • Električni tokovni transformator iz smoleElektrični tokovni transformator iz smole
  • Električni tokovni transformator iz smoleElektrični tokovni transformator iz smole

Električni tokovni transformator iz smole

Wenzhou XiFa Electric Power Equipment Co., Ltd je profesionalna proizvodnja za proizvodnjo električnih ct tokovnih transformatorjev iz smole, kjer se uporablja v električnih stikalnih napravah od 10 kv do 35 kv. V Wenzhou XiFa, proizvodna ekipa vliva epoksidno smolo v vakuumskem okolju, da odstrani mehurčke na strani tokovnega transformatorja in prepreči delno praznjenje na površini. Medtem je smolno ulit električni ct tokovni transformator zasnovan kot večplastna izolacijska struktura za doseganje boljšega delovanja pri napetostni upornosti in dolgoročne stabilnosti.

Električni ct tokovni transformator iz smole je vakuumsko lita stebrička enota iz epoksidne smole za notranje prostore, zasnovana za napajalne sisteme napetostnega nivoja 10 kv z nazivno frekvenco 50 Hz. Uporablja se predvsem za merjenje toka, merjenje energije in zaščitno relejiranje.

Električni ct tokovni transformator, ulit s smolo, uporablja popolnoma zaprt postopek ulivanja iz epoksi smole, pri katerem je jedro izdelano iz visokokakovostnega magnetnega materiala, primarna in sekundarna tuljava skupaj z jedrom pa sta vdelani v smolo. Ta konstrukcija zagotavlja odlično izolacijo, odpornost na vlago in odpornost na onesnaženje. Površina tokovnega transformatorja, ulitega s smolo, ne potrebuje dodatnega premaza, tokovni transformator pa je mogoče namestiti na več položajev.

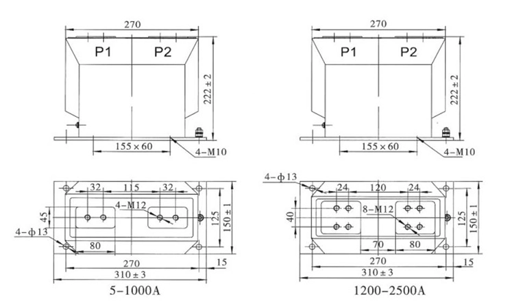
Razpon zajema tako merilne razrede, kot sta 0,2S in 0,5S, kot tudi zaščitne razrede, kot sta 10P10 in 10P20. Zasnova z več razmerji je na voljo na smolno ulitem električnem ct tokovnem transformatorju, da je zelo primeren za uporabo v kovinsko prevlečenih električnih ploščah.

Resin Cast Electrical Ct Current TransformerResin Cast Electrical Ct Current Transformer

Tehnične specifikacije:

Vrsta Primarni nazivni tok (A) Razred natančnosti Razred točnosti in nazivna moč cosΦ=0,8 Termični tok v času Shory (kA/S) Nazivni dinamični tok (kA)
0,2 (s) 0,5 (s) 10P10 10P15 10P20
LZZBJ9-10 5-150 0,2 s/0,5 0,2 s/10P 0,2/10P 0,5 s/10P 0,5/10P 10 10 15 15 10 100I1n 250I1n
200-300 31.5 80
400-500 45 112
600-1000 63 130
1200-1500 80 160
2000-2500 100 180

Resin Cast Electrical Ct Current Transformer

Pogosta vprašanja o izdelku:

V: Katere tehnične parametre je treba preveriti pri izbiri električnega ct tokovnega transformatorja iz smole?

O: Pri izbiri je treba preveriti naslednje ključne parametre:

1. Razred točnosti: Za merjenje/merjenje (npr. 0,2 s ali 0,5) in zaščitne namene (npr. 10P10, 5P10 itd.).

2. Nazivni primarni in sekundarni tok (razmerje transformacije).

3. Kratkotrajni toplotni tok (Ith) in kratkotrajna vzdržljivost toka (za pogoje napake).

4. Ravni izolacije (odporna napetost, nazivna impulzna napetost itd.).

5. Okoljske tolerance: temperaturno območje, nadmorska višina, vlažnost, raven onesnaženosti.

6. Obremenitev: obremenitev VA, ki jo mora sekundar poganjati brez zmanjšanja natančnosti.

V: V katerih okoljih ali aplikacijah so še posebej primerni transformatorji tokovnega toka, uliti s smolo?

A: naslednje okolje ali uporaba sta primerna za električni transformator tokovnega toka, ulit s smolo:

1. Notranja stikalna naprava, kjer je prostor omejen in je izolacija ključnega pomena.

2. V težkih ali onesnaženih okoljih (prah, vlaga, kemikalije), kjer se lahko razgradijo odprti deli ali olje.

3. V merilnih in zaščitnih vezjih, ki zahtevajo stabilno in natančno merjenje v daljših obdobjih.

4. Aplikacije, kjer sta pomembna nizko vzdrževanje in visoka zanesljivost.

Hot Tags: Dobavitelj tokovnih transformatorjev iz umetne smole, proizvajalec električnih CT transformatorjev, veleprodaja CT transformatorjev po meri
Pošlji povpraševanje
Kontaktne informacije

Za čimprejšnjo pridobitev vaše ponudbe

XiFa - vaš zanesljiv dobavitelj električne opreme
X
Piškotke uporabljamo, da vam ponudimo boljšo izkušnjo brskanja, analiziramo promet na spletnem mestu in prilagodimo vsebino. Z uporabo te strani se strinjate z našo uporabo piškotkov. Politika zasebnosti
Zavrni Sprejmi